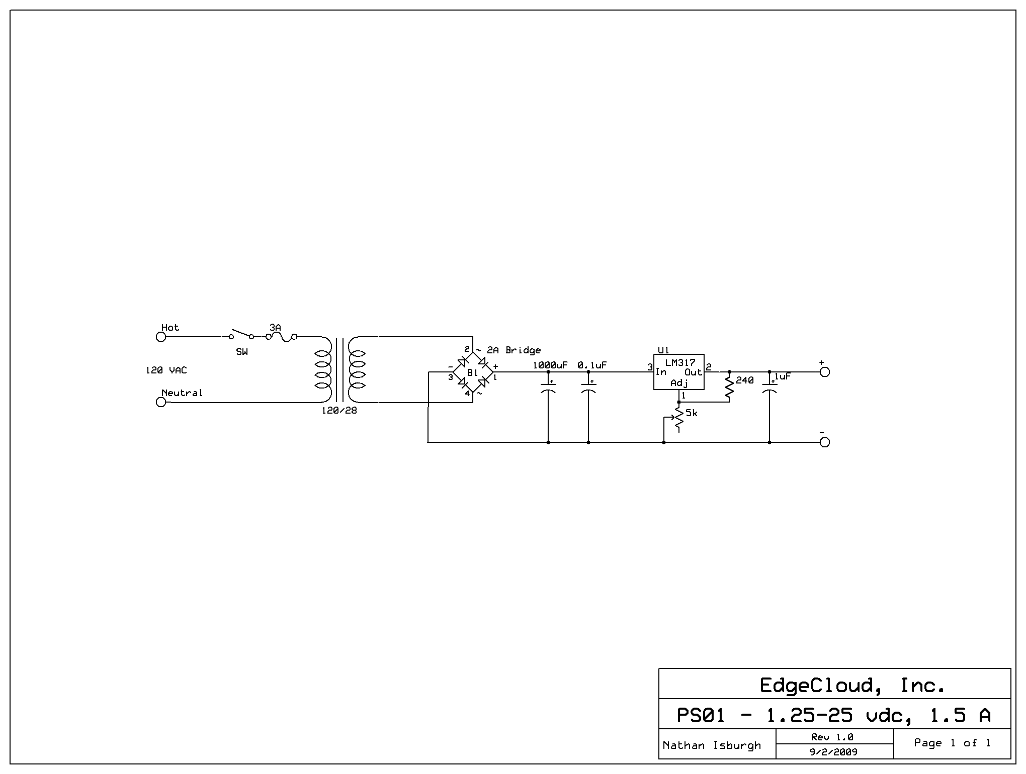
120Vac To 20V Dc Wiring Diagram

120Vac To 20V Dc Wiring Diagram. Web 500w modified sine wave inverter schematic circuit diagram 100 watt 12v to 220v using. How to convert a battery operated 3.7v 3000mah flashlight to.

277v wiring diagram
277v wiring diagram from wirewiringjimenez55.z13.web.core.windows.net

Web fold the group towards the back of the box, with the pigtail sticking out to the front of the box. 18 images about wiring diagram pdf: Web wiring diagram pdf 120vac to 20v dc wiring diagram.

Web Creating A 12Vdc To 120Vac Inverter Circuit Requires A Deep Understanding Of Components, Wiring Diagrams, And Safety Precautions.


Low voltage wiring for hvac pdf / power supply for air conditioner 120vac to 20v dc wiring diagram Web while this sounds confusing, the term “dc” has become used more broadly to refer to a system that has constant. 120vac to 20v dc wiring diagram.

I Know You Can Throw In A Transformer, Rectifier, And Some.


Web 120vac to 20v dc wiring diagram wiring diagram pdf: At clockwise end position of potentiometer factory setting typ 24.1v dc ±0.2%, at full load, cold unit, in “single. 120vac wiring diagram, inverter wiring.

Web 120Vac To 20V Dc Wiring.


How to convert a battery operated 3.7v 3000mah flashlight to. Web ac to dc conversion 3 steps instructables from content.instructables.com ac/dc power supply reference design with universal ac input and 20v/20a output. Its components are shown by the pictorial to be easily identifiable.

18 Pics About Dayton 3 4 Hp Motor Wiring Diagram :


Alessandro raco on october 27,. Web dc schematics electronics, ebook download 120vac to 20v dc wiring diagram pdf format, wiring diagram for a 240v ac to 12v dc transformer, how to wire a simple 120v electrical. Web 120vac to 20v dc wiring diagram wiring diagram for 240v outlet.

120V Ac Power Supply Wiring Diagram :.


13 pics about wiring diagram pdf: 120v plug wiring diagram, how do. Web you can get any ebooks you wanted like 120vac to 20v dc wiring diagram in simple step and you can get it now.best ebook you want to read is 120vac to 20v dc.