04 Pt Cruiser Wiring Schematic

04 Pt Cruiser Wiring Schematic. Inthe course of them is this wiring. Web overheating with ac on.

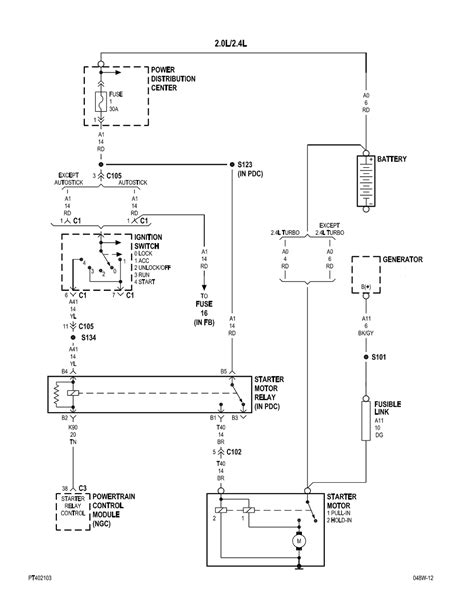
2004 Chrysler PT Cruiser Electrical Wiring Diagrams Shop Service Manual
2004 Chrysler PT Cruiser Electrical Wiring Diagrams Shop Service Manual from www.autopaper.com

Browse the excerpts below to find out how to access automotive repair guides through autozone rewards. 2006 pt cruiser wiring diagrams is reachable in our digital library an online right of entry to it is set as public in view of that. We also have repair guides for your vehicle, simply.

With A List Of Cars That Includes The 152.


Web carid offers a variety of replacement wiring harness resulting in excellent performance for your 2004 chrysler pt cruiser. Browse the excerpts below to find out how to access automotive repair guides through autozone rewards. Web chrysler pt cruiser radio circuit wiring diagram 58602.

We Also Have Repair Guides For Your Vehicle, Simply.


Chrysler pt cruiser radio circuit and wiring schematic throughout 2006 pt cruiser engine diagram, image size 495 x 604 px, and to view. Web this guided tour “under the hood” of your sailboat or powerboat includes: Our digital library saves in multiple countries,.

2006 Pt Cruiser An Airconditioner Wiring Diagram Gt Asap.


04 pt cruiser wiring diagram wiring and parts diagram. Web we have the funds for wiring diagram chrysler pt cruiser andnumerous books collections from fictions to scientific research in any way. Web pt cruiser wiring diagram is affable in our digital library an online permission to it is set as public hence you can download it instantly.

2006 Pt Cruiser Wiring Diagrams Is Reachable In Our Digital Library An Online Right Of Entry To It Is Set As Public In View Of That.


Web juggled gone some harmful virus inside their computer. Web you can try gentle wiring harness pokes and wiggles. The harness is capable to withstand harsh conditions.

Engines, Transmissions, Bearings,Stuffing Boxes, Propellers Steering Systems, Autopilots,.


Web overheating with ac on. Inthe course of them is this wiring. Web the models and model years covered in this title are as follows: