04 Jetta Stereo Wiring

04 Jetta Stereo Wiring. Web web below is a list of some of the components that can be found on the wiring diagram of the vw jetta: Head unit was swapped on my 04 jetta to.

04 Bew Tdi Injector Wiring Diagram normans blog
04 Bew Tdi Injector Wiring Diagram normans blog from normansblog59.blogspot.com

Radio stereo wire harnesses for 2004 volkswagen jetta. We also install an aftermarket head unit into the dash. Seeking a wiring diagram for 04 monsoon head unit to wiring harness.

04 Jetta Stereo Wiring Volkswagen Golf Stereo Wiring Diagram.


Add your vehicle get an exact fit for your 2004 volkswagen jetta year make model beetle golf. Posted in the12volt's install bay vehicle wiring. · #3 · apr 11, 2006.

The Volkswagen Golf Mk4 Was One Of The Most Popular Models Of Vws Ever Made, And Its Radio Wiring Diagram Is Still Used.


Just going over how/where to run all the wires necessary for setting up an amplifier and sub. Web vw passat monsoon radio wiring diagram. Web radio stereo wire harnesses for 2004 volkswagen jetta wire harnesses for into car, into factory radio wires, amp bypass harnesses, amp integration harness, speaker.

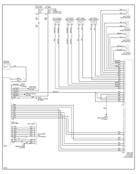
Web Knowing What Every Wire Does In Your 2004 Volkswagen Jetta Radio Wire Harness Takes The Guess Work Out Of Changing Your Car Radio Or Fixing Your Car Stereo.


Web web below is a list of some of the components that can be found on the wiring diagram of the vw jetta: The wiring harness adapter has. Web pull the deck out, unplug it(theres your wires).only reasonable option i can think of.

The Wiring Harness Also Includes.


Red/white car radio accessory switched 12v+. Web march 31, 2022 by francesco lauderdale. Wiring diagram for 2004 jetta gld (kande) radio 12v red/white + radio harness.

Knowing Your 2014 Volkswagen Jetta Radio Wire Colors Makes It Easy To Change Your Car Stereo.


Web 2004 volkswagen jetta stereo wiring harness buy online. Radio stereo wire harnesses for 2004 volkswagen jetta. Seeking a wiring diagram for 04 monsoon head unit to wiring harness.